- 技术文章
宇电仪表在电炉上的产品应用
2022-05-11 11:44:16 来源:厦门宇电自动化科技有限公司
摘要:工频有铁心感应电炉是熔铸行业广泛使用的重要设备,感应体作为电炉的关键部件,也是薄弱的环节,其运行状况决定了电炉的安全性和可靠性。本文是通过长期工作实践并结合剖析此类电炉工作原理、结构特点和使用情况的基础上,经过广泛市场调研,推介采用宇电AI多路巡检显示仪,以温差量来监测工频有铁心感应电炉运行状况。
Abstract: Power frequency iron cored induction furnace is an important equipment widely used in the casting industry. The inductor is the key component of the furnace and the weakest point. Its operation status determines the safety and reliability of the furnace. This article is based on long-standing working practice combined with analysis of the working principle, structural characteristics and use of such furnace. Through extensive market research, it is recommended to apply Yudian AI multi-channel inspection display instrument to monitor the operation of power frequency iron cored induction furnace by temperature difference.
关键词:感应体、熔沟内周耐火层、冷却保护水套、温差控制、AI-704M多路巡检显示仪、热交换—循环水冷却系统。
Key words: inductor, inner refractory layer of molten channel, cooling water jacket, temperature difference control, AI-704M multi-channel inspection display instrument, heat exchange-circulating water cooling system
0 引言
在熔铸行业广泛使用的工频有铁心感应电炉也称工频熔沟式感应电炉,它的工作原理与变压器相似,只是它的次级仅有一匝且处于熔化状态的熔沟,见示意图(一)。
1.感应体 1.1熔沟 1.2内周耐火层
1.3冷却保护水套 1.4线圈(一次级)1.5铁心 2.炉膛
图(一)工频有铁心感应电炉示意图
电炉的关键部件是感应体,它是电炉的发热体,它决定了电炉的性能和可靠性。根据电炉的用途、牌号、容量、熔化率和生产形式等要求不同,感应体具有如下特点:(1)需要连续几个月到一年左右不间断地工作;(2)由于熔沟的结构,决定了它的功率范围在几十千瓦至一千多千瓦;(3)由于它是安装在电炉的底部位置,工作时候要承重近百公斤至十多吨的金属液;(4)由于它类似变压器的工作原理,工作时液态熔沟要承受电磁压缩力和电动搅拌力;(5)由于工作时熔体热交换的需要,熔沟温度要高出炉膛熔炼(或者保温)温度几十度至二百多度;(6)为了兼顾工作可靠性与工作效率的关系,只能使熔沟内周耐火层厚度大约只为四厘米至十厘米之间。由此可见,处于熔沟内周耐火层是整个电炉薄弱的环节。鉴于这些实际情况,为了确保电炉安全、可靠地运行,需要有监测感应体实时状态的装置,对于大容量电炉更是必须设置;虽然,目前已有几种监测感应体运行状态的方法和措施,例如:用较多个热电偶检测感应体多个位置耐火层中的温度;用金属网式电极布置在熔沟内周耐火层内,以电路形式检测熔沟内周耐火层中金属液的渗透情况;用感应体的多个电气参数编绘运行图,通过运行图反映熔沟周围耐火层的磨损状况等。由于上述方法、器件和措施在实际工作中都有各自的局限性和不足之处,因而影响和限制了它们的广泛运用。
1 应用原理
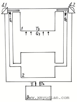
笔者在长期工作实践中,通过进一步剖析感应体工作原理、结构特点和使用情况的基础上,另辟蹊径,依据电力系统差动控制保护的原理,在反复综合广泛市场调研现有检测控制器件的实际情况下,选用了厦门宇电自动化科技有限公司的具有温度差控制性能的AI-704M多路巡检显示仪,采用这种在市场上比较难以寻找到的、具有运算功能的多路巡检显示仪可以使它成为一种实用、新颖的监测工频有铁心感应电炉运行状况的器件。因为在兼顾工作可靠性与工作效率的情况下,不同功率的感应体其熔沟内周耐火层径向厚度只设置为约四厘米至十厘米之间,为了增强这个耐火层的可靠性还得在其内周再紧贴安置了一个径向厚度约为二厘米的非磁性金属材料制成的、开口环形套状换热器,也称为冷却保护水套;这个冷却保护水套为了防止水温过高引起结污垢影响冷却效果,其传热面冷却水测壁温不宜高于70℃,为此冷却保护水套的进水温度和流量要使出水温度通常控制在55℃左右。由冷却保护水套与循环冷却水装置组成了一个热交换—循环冷却水系统。在冷却保护水套的进水端和出水端分别设置测量冷却水温度的热电阻WZ1和WZ2,把WZ1、WZ2检测到的对应温度信号T1、T2接入到AI-704M多路巡检显示仪输入端,见示意图(二)。
1.冷却保护水套 2.循环冷却水装置 3.AI-704M多路巡检显示仪
4.1进水测温热电阻WZ1 4.2 出水测温热电阻WZ2
图(二)用AI-704M多路巡检显示仪监测工频有铁心电炉示意图
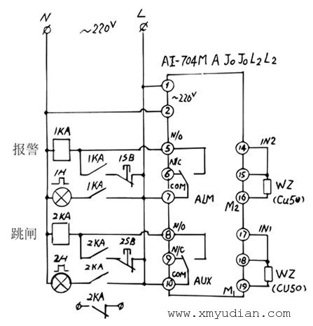
其中,由循环冷却水装置输入给冷却保护水套的热量为Q1、由熔沟通过其内周耐火材层递给冷却保护水套水中的热量为Q3、由冷却保护水套输出端回输给循环冷却水装置的热量为Q2,以温度T1、T2、T3分别对应表示热量Q1、Q2、Q3;得Q1+Q3=Q2、或Q2-Q1=Q3,即T1+T3=T2或T2-T1=T3;在正常工作情况下,T3是一个相对稳定的值,这样冷却保护水套的出水端与进水端的温度差ΔT=T2-T1=T3也是一个相对稳定的值,以ΔT表示T3。正常运行中即使冷却保护水套的进水温度T1受到外界条件(例如环境温度)影响发生变化,由于T3相对稳定,出水温度T2也跟随T1作相应变化,温度差ΔT还是处于一个相对稳定的值,这样提高了整个系统监测保护的抗干扰能力,也是一般单端测温方法和装置无法达到的性能。当熔沟内周耐火层有所损伤,导致熔沟金属熔体开始初步渗入到耐火层内的时候,T3必定升高,即温度差ΔT也相对升高,当升高到预置值ΔT’时AI-704M多路巡检显示仪输出预警报警信号;当损伤情况进一步恶化,则会使T3进一步升高,即温度差ΔT也进一步升高,当ΔT继续升高到预置值ΔT’’时,AI-704M多路巡检显示仪输出停炉跳闸故障信号,此时必须使电炉停止工作,现场采取对应措施,确保电炉安全,防止事故扩大。接线原理图见图(三)。
图(三)接线原理图
2结束语
采用本具有温差控制方法和AI-704M多路巡检显示仪除了能可靠、方便、简单地实时监测工频有铁心感应电炉的运行状况,确保电炉安全地运行之外,还具有能不需要改变已有电炉结构和筑炉施工方式,便于旧电炉设备改进,不会因为设置检测反而引入额外不足等优点;另外特有的差动运算控制功能还可以运用到其他单端控制器件无法胜任的多个场合。为此把厦门宇电自动化科技有限公司AI-704M多路巡检显示仪产品推荐给铸造行业的同行们使用。
参考文献:
[1] GB 50056-93 电热设备电力设计规范 P.13
[2] GB 50050-2007 工业循环冷却水处理设计规范 P.8
[3] 重有色金属处理加工手册 第2分册 P.60
[4] 电气工程师手册 P.20-67
[5] 电机工程手册 第6卷工业电气设备 P.34-93
作者简介:诸琢玉,工程师,主要从事电炉电气系统设计。
-
产品搜索
-
产品分类
-
导轨型智能多路温控器
-
AI-8x48系列高性能4路测量及控制仪表
-
AI-8X88型 8 回路测量及控制仪表
-
AI-7xx8系列经济型多回路测量及控制仪表
-
AI-9系列单回路高性能人工智能工业调节器
-
AI-8系列单回路人工智能调节器/温控器
-
APLC系列可编程通信控制器
-
显示控制仪表
-
固态、触发器、调功器
-
AI-TCP多功能通信控制器
-
AI-9系列组合式多路AI人工智能温控器
-
AI-9*8系列高性能人工智能工业调节器
-
AI-8*8系列高性能多功能调节器
-
AI-8*9系列高性能多功能调节器
-
AI大屏智能温控器/调节器
-
AI大屏多路显示报警仪表
-
测量显示报警仪表
-
控制柜、PLC、安全栅
-
AI分体式无纸记录仪
-
经济型智能温控器/调节器
-
多路PID温度控制器
-
可编程温度变送器
-
行业专用温控仪表
-
电力测量仪表
-
通讯网关及控制软件
-
电炉控制柜
-
-
公司相册
-
电商图片
134张图片 -
电力测量仪表
57张图片 -
AI-8系列*新产品图片
126张图片 -
导轨安装型温控模块
96张图片 -
企业荣誉证书
122张图片 -
*新高精度智能PID图片
65张图片 -
控制柜
11张图片 -
宇电主营*新产品图片
73张图片 -
无纸记录仪触摸屏
25张图片 -
宇电信号隔离器、变送器、安全栅
15张图片
-
扫一扫,手机浏览














